當前位置: 国产精品麻豆免费视频振動篩廠家 > 產品中心 > 提升機械 > 正文

適用物料:適用各種物料
價格區間:1000元-50萬之間
處理能力:0.5-200 t/h
產品別名:鬥式提升機
索要優惠報價
                    銷售熱線:
                    13782587121
                
国产精品麻豆免费视频機械生產的物料提升機不是建築行業電梯式提升機,是專門針對礦山、煤炭、冶煉、建材、耐火材料、輕工、化工等,大中小塊物料連續垂直提升處理,使用方便,造價便宜,是多數廠家必選提升機械。
国产精品麻豆免费视频物料提升機有多種形式,螺旋提升、鬥式提升、帶式提升、鏈板提升,国产精品麻豆免费视频的工程師可根據客戶需求,設計出適合您使用的提升機,歡迎你來電谘詢。
国产精品麻豆免费视频物料提升機安全規程
1、提升機由指定人員進行維護和管理,電源開關箱的鑰匙由指定人員管理。
2、提升機必須有卷揚限製器和行程限位器,限製器應使滑輪在提升到距離卷筒或滑輪300mm以前時能自動停止。動作靈敏可靠,並進行試吊。
3、提升機應有大負荷標誌,在提升、降落時重量不許超負荷(1T)。
4、送電後,檢查卷揚限製器、行程限位器、聯鎖開關等安全裝置
5、起吊、降落前,鳴鈴示警後,方可開車。
6、提升機決對不允許載人上、下。
7、工作完後,提升機吊盤應落地,然後切斷電源,關好上下護欄門。
8經常保持提升機周圍環境衛生。
国产精品麻豆免费视频物料提升機注意事項
1、應空負荷開車。所以每次停機前應排盡所有料鬥內的物料,然後再停車。
2、不能倒轉。倒轉即可能發生鏈條脫軌現象,排除脫軌故障很麻煩。
3、均勻喂料。禁止突然增大喂料量。喂料量不能超過提升機的輸送能力。否則容易造成底部的物料堆積嚴重時發生“悶車”事故。
4、及時適量補充潤滑油。
5、鏈條和料鬥嚴重磨損或損壞時應及時更換。
鬥式提升機型號參數:NE\TD\GTD\HL\TB等型號
| 型號 | 最大給料粒度mm | 料鬥 | 提升高度m | 最大提升能力 (立方米/h) | 電動機功率 提升機重量 | ||
| 鬥距mm | 寬度MM | 容量L | |||||
| TB250 | 90 | 200 | 250 | 3 | 5-40 | 25 | 按具體的垂直鬥式提升機訂貨總圖核計確定 | 
| TB315 | 100 | 200 | 315 | 6 | 46 | ||
| TB400 | 110 | 250 | 400 | 12 | 75 | ||
| TB500 | 130 | 320 | 500 | 25 | 95 | ||
| TB630 | 150 | 400 | 630 | 50 | 148 | ||
| 注:表中最大輸送能力是按填充係數ψ-0.8計算得出的,僅供參考。 | |||||||
	
	
	
	
	
	
	
螺旋提升機型號參數:GX\ls等型號
| 規 格 | 主要技術性能 | 驅動裝置 | 驅動裝置 | 重量 (kg) | ||||
| 直徑 | 長度 (m) | 產量 (水泥) t/h | 轉速 min-1 | 減速機 | 電動機 | |||
| 型號 | 速比 | 型號 | 功率 (kw) | |||||
| GX200 | -10 | 9 | 60 | JZQ250 | 23.34 | Y90S-4 | 1.1 | 726 | 
| GX200 | -20 | 9 | 60 | JZQ250 | 23.34 | Y90L-4 | 1.5 | 1258 | 
| GX250 | -10 | 15.6 | 60 | JZQ250 | 23.34 | Y100L2-4 | 2.2 | 960 | 
| GX250 | -20 | 15.6 | 60 | JZQ250 | 23.34 | Y100L1-4 | 3 | 1750 | 
| GX300 | -10 | 21.2 | 60 | JZQ350 | 23.34 | Y100L2-4 | 3 | 1373 | 
| GX300 | -20 | 21.2 | 60 | JZQ350 | 23.34 | Y112M-4 | 4 | 2346 | 
| GX400 | -10 | 51 | 60 | JZQ400 | 23.34 | Y132S-4 | 5.5 | 1911 | 
| GX400 | -20 | 51 | 60 | JZQ500 | 23.34 | Y160M-4 | 11 | 2049 | 
| GX500 | -10 | 87.5 | 60 | JZQ400 | 23.34 | Y132M-4 | 7.5 | 2381 | 
| GX500 | -20 | 87.5 | 60 | JZQ650 | 23.34 | Y180M-4 | 18.5 | 5389 | 
| GX600 | -10 | 134.2 | 45 | JZQ750 | 23.34 | Y180L-4 | 22 | 3880 | 
| GX600 | -10 | 134.2 | 45 | JZQ850 | 23.34 | Y250M-4 | 55 | 7090 | 
	
	
	
	
	
	
	
	
	
	
	
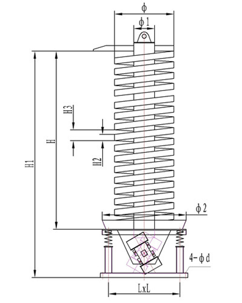
垂直振動式提升機型號參數:
| 型號 | 輸送量 (t/h) | 輸送槽直徑 (mm) | 輸送寬度 (mm) | 輸送高度 (m) | 振次 (min) | 雙振幅 (mm) | 電動功率 (kw) | 重量 (kg) | 
| DZC300 | ~1.0 | 300 | 77 | ≤2.0 | 960 | 6~7 | 2×0.4 | 680 | 
| DZC500 | ~2.0 | 500 | 140 | ≤3.0 | 6~8 | 2×0.75 | 1010 | |
| DZC550 | ~3.0 | 550 | 152 | ≤3.5 | 6~8 | 2×1.5 | 1190 | |
| DZC600 | ~3.0 | 600 | 163 | ≤4.0 | 6~7 | 2×1.5 | 13210 | |
| DZC800 | ~4.0 | 800 | 224 | ≤4.5 | 6~8 | 2×2.2 | 1590 | |
| DZC850 | ~4.0 | 850 | 224 | ≤5.0 | 6~9 | 2×2.2 | 1750 | |
| DZC900 | ~3.5 | 900 | 185 | ≤6.0 | 6~9 | 2×3.0 | 2100 | 
	 
鬥式物料提升機工作原理
	 
螺旋物料提升機工作原理
	 
振動式物料提升機工作原理
	 
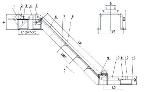
帶式物料提升機結構圖紙
	 
Z型物料提升機結構圖
	 
垂直式物料提升機結構圖
	 
鬥式物料提升機結構圖
	 
螺旋式物料提升機結構圖
	 
 
	 
	 
 
Copyright(C) 豫ICP備63881584號